0
phụ tùng nhập khẩu
chính hãng
0
Phụ Tùng Chính Hãng
Accessories – Thương Hiệu
Phụ Tùng Khác
Vỏ xe – Lốp
Catalogue
Hệ Thống Cửa Hàng
XeBiz
Chọn dòng xe của bạn
Dòng xe
Honda Air Blade 110 KVGS 2011
Honda Air Blade 110 KVG 2008
Honda Click 110 KVB 2008
Honda Lead 110 GGE 2008
Honda Vision 110 KZL 2011
Honda SH 125/150 K01/K02 2012
Honda SH 125/150 K77/K78 2017
Honda SH 125/150 KTF/KTG 2009
Honda Lead 125 K12 2013
Honda Lead 125 K12V 2017
Honda Future 125 KYZ 2012
Honda Future 125 K73 2018
Honda Vision 110 K44 2015
Honda Vision 110 K2C 2021
Honda SH Mode 125 4val K1N 2021
Honda SH Mode 125 K29 2013
Honda Lead 125 4val K2TS 2025
Honda Lead 125 4val K2T 2022
Honda Air Blade 125 K27 2013
Honda Air Blade 125 K66 2016
Honda SH 125i K0S 2020/2023
Honda SH 150i/160i K0R 2020/2023
Honda SH 350i K1B 2022
Honda ADV 150 K0W Indo
Honda ADV 160 K0WL Indo
Honda Air Blade 125 K3A 2022
Honda Air Blade 125/160 K3A/K2Z 2022
Honda Air Blade 125 K1G 2020
Honda Air Blade 125/150 K1G/K1F 2020
Honda Beat 110 K1A Indo
Honda Beat 110 K81 Indo
Honda CB150R StreetFire K15M Indo
Honda CBR150R K45N Indo
Honda CBR150R K45R Indo
Honda CBR250RR K64 Indo
Honda Click 125i Model 2015 Thailand
Honda Click 125i Model 2018 Thailand
Honda Click 150i Model 2018 Thailand
Honda Click 160 K2SF Thailand
Honda Genio 110 K0J Indo
Honda PCX 150 K97 Indo
Honda PCX 160 K1Z Indo
Honda Scoopy 110 K2F Indo
Honda Scoopy 110 K2F Thailand
Honda Scoopy 110 K93 Indo
Honda Winner 150 V1 K56 2016
Honda Sonic 150R K56 Indo
Honda Supra GTR 150 V2 K56W Indo
Honda Vario 125 K2V 2023
Honda Vario 125 K60 Indo
Honda Vario 125 K60R Indo
Honda Vario 150 K59 Indo
Honda Vario 150 K59J Indo
Honda Vario 160 K2S Indo
Honda Wave 125i K73 Thailand
Honda Winner X V2 K56L 2019
Honda Winner X V3 K2P 2021
Honda Winner X V4 K2P 2024
Suzuki Bandit 150 Indo
Suzuki GSX R150 Sport Indo
Suzuki GSX S150 Naked Indo
Suzuki Satria Fi - Raider Fi 150 Indo
Suzuki Satria Fu - Raider Fu 150 Indo
Suzuki Shogun Axelo 125 Indo
Yamaha Mx King - Exciter 150 Indo
Tìm Kiếm
Trang chủ
/
Catalogue Honda - Sơ đồ chi tiết dòng xe Honda
/
Catalogue Honda Click 110 (KVB)
/
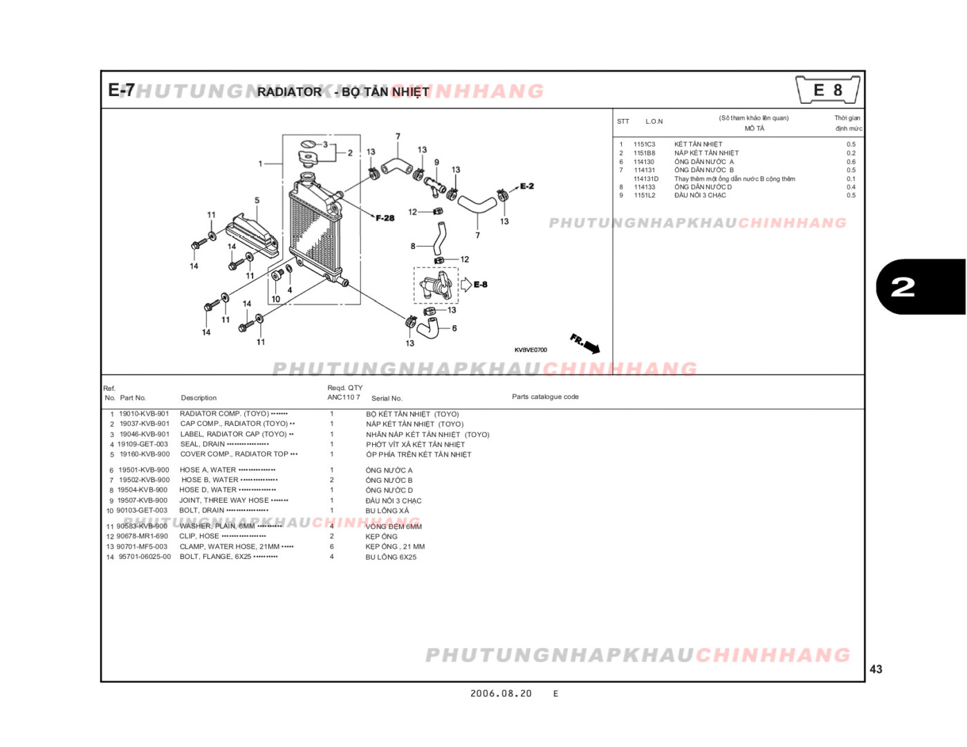
E7 – KÉT TẢN NHIỆT – HONDA CLICK 110 (KVB)
E7 – KÉT TẢN NHIỆT – HONDA CLICK 110 (KVB)
Từ khóa tìm kiếm
phụ tùng click 125
phụ tùng click 150
phụ tùng click 160
phụ tùng click 2018
phụ tùng click 2019
phụ tùng click 2020
phụ tùng click 2021
Phụ tùng honda
phụ tùng honda indo
phụ tùng honda nhập khẩu
phụ tùng raider fi
phụ tùng raider fi 150
phụ tùng raider fi 150 2016
phụ tùng raider fi 150 2017
phụ tùng raider fi indo
phụ tùng satria fi
phụ tùng satria fi 150
phụ tùng satria fi 150 2016
phụ tùng satria fi 150 2017
phụ tùng satria fi 150 2018
phụ tùng satria fi 150 2019
phụ tùng satria fi 150 2020
phụ tùng satria fi 150 2021
phụ tùng satria fi indo
phụ tùng sonic 150
phụ tùng sonic 150 2015
phụ tùng sonic 150 2016
phụ tùng sonic 150 2017
phụ tùng sonic 150 2018
phụ tùng sonic 150 2019
phụ tùng sonic 150 2020
phụ tùng sonic 150 2021
phụ tùng sonic 150 indo
phụ tùng sonic chính hãng
phụ tùng suzuki
phụ tùng suzuki indo
phụ tùng suzuki nhập khẩu
phụ tùng vario 125
phụ tùng vario 150
phụ tùng vario 2015
phụ tùng vario 2017
phụ tùng vario 2018
phụ tùng vario 2019
phụ tùng vario 2020
phụ tùng vario 2021
Copyright @2020 All right reserved - PTNKCH Team
Phụ Tùng Chính Hãng
Accessories – Thương Hiệu
Phụ Tùng Khác
Vỏ xe – Lốp
Catalogue
Hệ Thống Cửa Hàng
XeBiz